Up all
Pack up all
-
Technical Feature
OPERATION:
Oil lost through leakage or operation of pressure relief valves is replaced by anticavitation valves. Their opening pressure is normally above 0.8bar, therefore the inlet
pressure must be higher than the atmospheric pressure. -
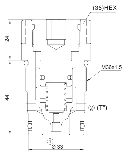
Technical Data
Operating Pressure420barFlow300l/min.CavityRexroth-LMFiltrationRefer to "Cleanliness of Hydraulic Fluid"Internal Leakage2 drops/min. max. at 350barTemperature-40°F to +250°F(-40°C to +120°C)FluidsMineral-based fluids with viscosities of 7.4 to 420 cSt.Body MaterialSteel & Ductile iron rated to 350bar -
File Download
PDF File -
ACCESSORIES











